メッセージ
折り返しご連絡いたします!
メッセージは20〜3,000文字にする必要があります。
メールを確認してください!
より多くの情報はより良いコミュニケーションを促進します。
正常に送信されました!
折り返しご連絡いたします!
メッセージ
折り返しご連絡いたします!
メッセージは20〜3,000文字にする必要があります。
メールを確認してください!
—— ニシカワ 日本 から
—— ルイス 合衆国 から
—— リチャード ドイツ から
—— マレーシア の ティム
—— ヴィンセント ロシア から
—— ニシカワ 日本 から
—— アメリカ から の サム
—— ドイツ の リナ
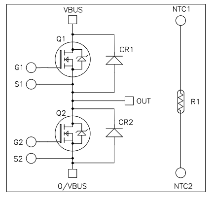
供給自動車IGBTモジュールMSCSM70AM025CT6LIAG Mosfetの配列700V 689A 1882Wのシャーシの台紙
MSCSM70AM025CT6LIAGの製品の説明
MSCSM70AM025CT6LIAG力モジュールは+80°C.の場合温度(Tc)の1200Vおよび1700V変形で、提供される。
MSCSM70AM025CT6LIAGの指定
| 部品番号: | MSCSM70AM025CT6LIAG |
| 力MOSFETモジュール | |
| MOSFET | |
| SiC | |
| 1.8 V | |
| 700ボルト | |
| - 10ボルト、+ 25ボルト | |
| ねじ台紙 | |
| - 40 C | |
| + 175 C |
MSCSM70AM025CT6LIAGの特徴
MSCSM70AM025CT6LIAGの適用
MSCSM70AM025CT6LIAGのブロック ダイヤグラム

FAQ
Q:あなたのプロダクトは元であるか。
:はい、すべてのプロダクトは元、新しいオリジナルの輸入である私達の目的である。
Q:どの証明書があるか。
:私達はERAIのISOの9001:2015によって証明される会社そしてメンバーである。
Q:少しの順序かサンプルを支えることができるか。サンプルは自由であるか。
:はい、私達はサンプル順序および小さい順序を支える。サンプル費用はあなたの順序かプロジェクトに従って異なっている。
Q:私の順序を出荷する方法か。それは安全であるか。
:私達はまた明白、DHLのような、Federal Express、UPS、TNT、EMS.Weを出荷するのにあなたの提案された運送業者を使用してもいい使用する。プロダクトは詰まるよいよにあり、安全および私達を保障するためにあなたの順序へのプロダクト損傷に責任があってであって下さい。
Q:調達期間についての何か。
:私達は5仕事日以内の標準的な部分を出荷してもいい。在庫なしで、私達はあなたの順序の量にあなたのための調達期間を基づいていた確認する。

